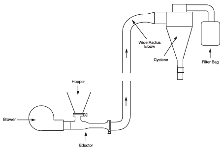
Fig. 217P and Fig. 218P Pneumatic Conveying Eductors for Handling Dry Solids employ motive air from a compressed air source or a blower to entrain and transport solids. The motive air is expanded across the nozzle creating a vacuum in the suction chamber drawing the product into the eductor. The motive air and entrained solids are carried through the diffuser section of the eductor and discharged into the conveying system.

Pneumatic Conveying Eductors for Handling Dry Solids eliminate the high maintenance costs associated with failures, shutdowns, and service and eliminate maintenance and safety problems associated with rotary airlocks as well as fines blowback, severe airlock wear, airlock jamming, product damage from mechanical feed mechanisms. Pneumatic Conveying Eductors for Handling Dry Solids are extremely versatile, capable of effectively handling a wide range of materials that typically cause problems in mechanical feed devices. Because no mechanical devices come into contact with the feed product, shearing and damage is impossible. Pneumatic Conveying Eductors for Handling Dry Solids can be used successfully to handle very fine, abrasive, flakey, irregular shapes, sanitary product, high temperature, corrosive and low flow rates.




